Εγκατάσταση συστήματος SCADA σε τρία κεντρικά αντλιοστάσια λυμάτων της δημοτικής κοινότητας Χίου. Επιπλέον παρακολούθηση πίεσης και παροχής σε κεντρικό αγωγό υδροδότησης.. Ειδοποιήσεις προσωπικού για βλάβες, παρακολούθηση μέσω διαδικτύου. Οι επικοινωνίες των απομακρυσμένων συστημάτων υλοποιήθηκαν με χρήση ασύρματου δικτύου WiFi και συνδέσεων aDSL
Εγκατάσταση συστήματος SCADA σε τρία αντλιοστάσια λυμάτων της δημοτικής κοινότητας Βροντάδου. Πλήρης τοπική αυτόματη λειτουργία και απομακρυσμένοι χειρισμοί των αντλιοστασίων. Ειδοποιήσεις προσωπικού για βλάβες, παρακολούθηση μέσω διαδικτύου. Οι επικοινωνίες των απομακρυσμένων συστημάτων υλοποιήθηκαν με χρήση ασύρματου δικτύου WiFi και αναμεταδότη WiFi.
Εγκατάσταση συστήματος SCADA με αυτόματη λειτουργία και χειρισμούς σε εγκαταστάσεις τεσσάρων μονάδων αφαλάτωσης, των γεωτρήσεων και των δεξαμενών τροφοδοσίας τους, της δεξαμενής παραγόμενου νερού και του αντλιοστασίου προώθησής του και των γεωτρήσεων στη θέση Θόλος, της υδρομάστευσης και των αντλιών στην περιοχή Δελφίνι. Πλήρης αυτόματη λειτουργία και απομακρυσμένοι χειρισμοί των αντλιοστασίων. Ειδοποιήσεις προσωπικού για βλάβες, παρακολούθηση μέσω διαδικτύου.Οι επικοινωνίες των απομακρυσμένων συστημάτων υλοποιήθηκαν με χρήση ασύρματου δικτύου WiFi και αναμεταδότών WiFi, για αποστάσεις μεγαλύτερες των 15 χιλιομέτρων.
Συνδυασμός δικτύου τηλεμετρίας με κάμερες. Εμπλουτισμός του συστήματος SCADA με ζωντανή εικόνα από νευραλγικές εγκαταστάσεις που εκτείνονται σε αποστάσεις άνω των 40 χιλιομέτρων. Εκτός από τη ζωντανή εικόνα υπάρχει και περιοδική καταγραφή snapshot.
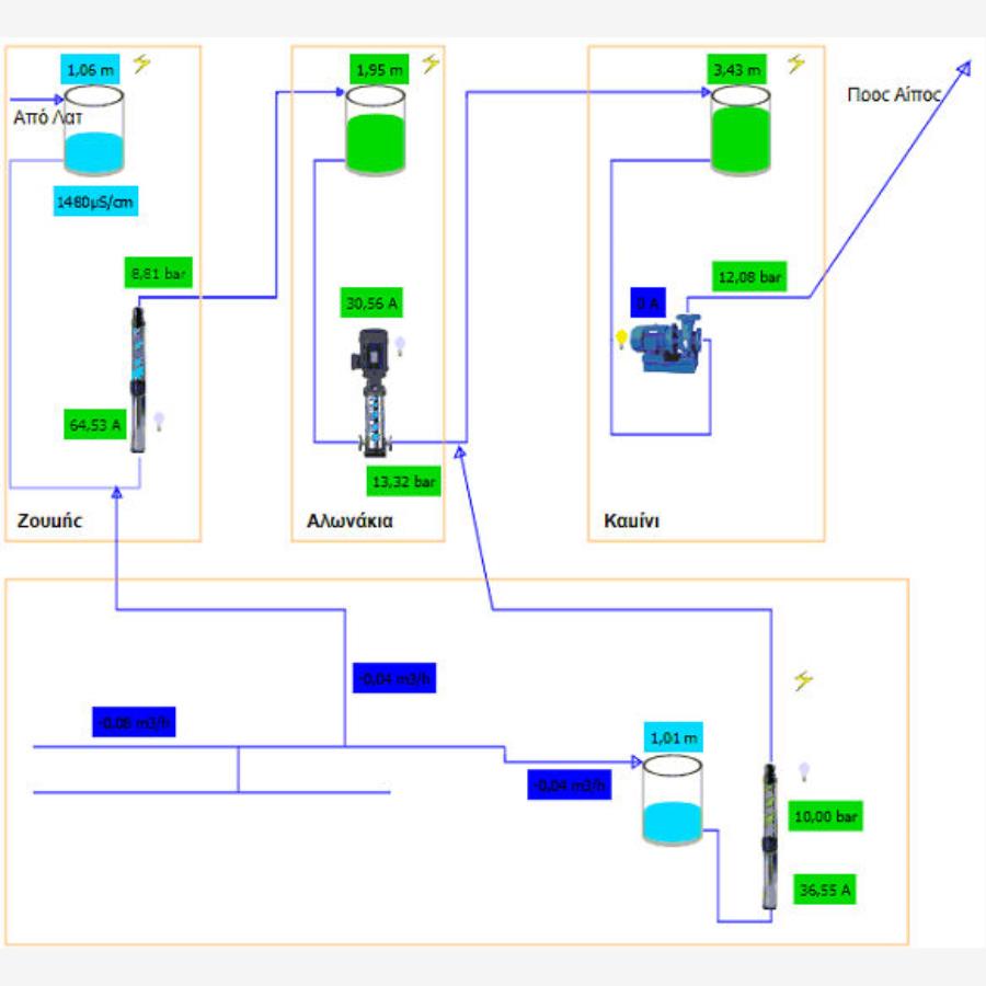
Εγκατάσταση συστήματος SCADA με αυτόματη λειτουργία και χειρισμούς τεσσάρων αντλιών στο κεντρικό αντλιοστάσιο ύδρευσης Λατόμι. Πλήρης τοπική αυτόματη λειτουργία, ανάλογα με τη διαθεσιμότητα ύδατος στον αγωγό τροφοδοσίας, τη λειτουργία συνδυασμού αντλιών, τη ζήτηση από τις δεξαμενές-αποδέκτες και απομακρυσμένοι χειρισμοί των αντλιών. Ειδοποιήσεις προσωπικού για βλάβες, παρακολούθηση μέσω διαδικτύου.Οι επικοινωνίες των απομακρυσμένων συστημάτων υλοποιήθηκαν με χρήση ασύρματου δικτύου WiFi. Η εγκατάσταση πραγματοποιήθηκε ως σταδιακή επέκταση των συστημάτων της ΔΕΥΑΧ και αποτελλεί χώρο επισκέψιμο για τεχνικές σχολές.
Εγκατάσταση συστήματος SCADA με αυτόματη λειτουργία και χειρισμούς τριών αντλιοστασίων ύδατος και των κεντρικών δεξαμενών της δημοτικής κοινότητας Βροντάδου. Ειδοποιήσεις προσωπικού για βλάβες, παρακολούθηση μέσω διαδικτύου.Οι επικοινωνίες των απομακρυσμένων συστημάτων υλοποιήθηκαν με χρήση ασύρματου δικτύου WiFi. Η εγκατάσταση πραγματοποιήθηκε ως σταδιακή επέκταση των συστημάτων της ΔΕΥΑΧ.
Εγκατάσταση συστήματος SCADA με αυτόματη λειτουργία και χειρισμούς ταχυδιϋλιστήριου επεξεργασίας του νερού φράγματος Κατράρη για την υδροδότηση των δημοτικών ενοτήτων Ιωνίας και Μαστιχοχωρίων. Στο σύστημα αυτό ελέγχεται πλήρως ο κύκλος λειτουργίας (στάση-λειτουργία-πλύση) του διϋλιστηρίου και η λειτουργία των αντλιών προώθησης του παραγόμενου νερού. Ειδοποιήσεις προσωπικού για βλάβες, παρακολούθηση και χειρισμοί μέσω διαδικτύου και με ζωντανή εικόνα από την εγκατάσταση. Οι επικοινωνίες των απομακρυσμένων συστημάτων υλοποιήθηκαν με χρήση ασύρματου δικτύου και αναμεταδοτών WiFi. Η εγκατάσταση πραγματοποιήθηκε ως σταδιακή επέκταση των συστημάτων της ΔΕΥΑΧ.
Εγκατάσταση συστήματος SCADA σε συνδυασμό με φωτισμό, συναγερμό και πυραφάλεια καταστήματος. Ελέγχεται πλήρως αυτόματα βάσει παρουσίας ή χρόνου ή χειροκίνητα, τοπικά ή απομακρυσμένα ο εσωτερικός φωτισμός καθώς και οι λειτουργίες του συναγερμού και της πυραφάλειας. Ταυτόχρονα γίνεται επιβεβαίωση των συμβάντων συναγερμού με χρήση καμερών. Ειδοποίηση προσωπικού για συμβάντα, παρακολούθηση και χειρισμοί μέσω διαδικτύου.
Εγκατάσταση συστήματος SCADA για την παρακολούθηση φωτοβολταϊκής εγκατάστασης με σκοπό την ευαισθητοποίηση του κοινού σχετικά με τις ανανεώσιμες πηγές ενέργειας.
Αυτοματισμός λειτουργίας μονάδας αφαλάτωσης επεξεργασίας υφάλμυρου νερού και συνδυασμός συστήματος SCADA. Πλήρης αυτόματη λειτουργία της μονάδας, εξ' αποστάσεως χειρισμοί και παρακολούθηση μέσω διαδικτύου. Ειδοποιήσεις προσωπικού για βλάβες και συμβάντα. Οι επικοινωνίες των απομακρυσμένων συστημάτων υλοποιήθηκαν με χρήση ασύρματου δικτύου και αναμεταδοτών WiFi. Η εγκατάσταση πραγματοποιήθηκε ως σταδιακή επέκταση των συστημάτων της ΔΕΥΑΧ.
Αυτοματισμός λειτουργίας ταχυδιϋλιστηρίου φράγματος Ζυφιά και συνδυασμός συστήματος SCADA. Πλήρης αυτόματη λειτουργία, εξ' αποστάσεως χειρισμοί και παρακολούθηση μέσω διαδικτύου. Ειδοποιήσεις προσωπικού για βλάβες και συμβάντα. Οι επικοινωνίες των απομακρυσμένων συστημάτων υλοποιήθηκαν με χρήση ασύρματου δικτύου και αναμεταδοτών WiFi. Η εγκατάσταση πραγματοποιήθηκε ως σταδιακή επέκταση των συστημάτων της ΔΕΥΑΧ.
Αυτοματισμός λειτουργίας ταχυδιϋλιστηρίου φράγματος Κατράρη στη θέση Στενοχώνη και συνδυασμός συστήματος SCADA, για την υδροδότηση δημοτικών ενοτήτων Μαστιχοχωρίων και Ιωνίας. Πλήρης αυτόματη λειτουργία της μονάδας, εξ' αποστάσεως χειρισμοί και παρακολούθηση μέσω διαδικτύου. Ειδοποιήσεις προσωπικού για βλάβες και συμβάντα. Οι επικοινωνίες των απομακρυσμένων συστημάτων υλοποιήθηκαν με χρήση δικτύου κινητής τηλεφωνίας 4G. Η εγκατάσταση πραγματοποιήθηκε ως σταδιακή επέκταση των συστημάτων της ΔΕΥΑΧ.
Πλήρης αυτόματη λειτουργία υδροδότησης κοινότητας Πιτυούς σε συνδυασμό με σύστημα SCADA. Πλήρωση των κεντρικών δεξαμενών της κοινότητας με απομακρυσμένο έλεγχο εγκαταστάσεων δύο πηγαδιών. Οι επικοινωνίες από τις κεντρικές δεξαμενές μέχρι τα πηγάδια υλοποιούνται μέσω δικτύου WiFi. Επιπλέον έλεγχος λειτουργίας φίλτρου διϋλισης νερού επί της κεντρικής δεξαμενής για επεξεργασία νερού ομβροδεξαμενών (σε περίπτωση χαμηλής στάθμης των πηγαδιών). Τέλος έλεγχος ηλεκτροβάνας υδροδότησης της κοινότητας από τις κεντρικές δεξαμενές προκειμένου να υπάρχει αυτόματη διακοπτόμενη υδροδότηση. Πλήρης αυτόματη λειτουργία των συστημάτων, εξ' αποστάσεως χειρισμοί και παρακολούθηση μέσω διαδικτύου. Ειδοποιήσεις προσωπικού για βλάβες και συμβάντα. Οι επικοινωνίες των συστημάτων μέχρι τη ΔΕΥΑΧ υλοποιήθηκαν με χρήση δικτύου κινητής τηλεφωνίας 4G. Η εγκατάσταση πραγματοποιήθηκε ως σταδιακή επέκταση των συστημάτων της ΔΕΥΑΧ.
Αυτοματισμός λειτουργίας ταχυδιϋλιστηρίου φράγματος Σαγιάκοβο στη θέση Καρυές και συνδυασμός συστήματος SCADA, για την υδροδότηση της κοινότητας Καρυών. Στην εγκατάσταση περιλαμβάνεται πλησης κύκλος λειτουργίας του διϋλιστηρίου και έλεγχος της δεξαμενής παραγόμενου νερού και του αντλιοστασίου προώθησης του. Πλήρης αυτόματη λειτουργία της μονάδας επεξεργασίας νερού και του αντλιοστασίου, εξ' αποστάσεως χειρισμοί και παρακολούθηση μέσω διαδικτύου. Ειδοποιήσεις προσωπικού για βλάβες και συμβάντα. Οι επικοινωνίες των απομακρυσμένων συστημάτων υλοποιήθηκαν με χρήση ασύρματου δικτύου WiFi. Η εγκατάσταση πραγματοποιήθηκε ως σταδιακή επέκταση των συστημάτων της ΔΕΥΑΧ.
Σύστημα αυτοματισμού και SCADA για την λειτουργία οικιακής μονάδας επεξεργασίας νερού δικτύου ύδρευσης (τεχνολογίας αντίστροφης ώσμωσης) προκειμένου να καταστεί πόσιμο. Στο συγκεκριμένο σύστημα συνδυάζονται μετρήσεις από αισθητήρες με τιμές που παράγονται από το μοντέλο λειτουργίας της μονάδας, προκειμένου να υπάρξει συμβουλευτική στήριξη από το SCADA, για ευκολότερη ρύθμιση και μακροβιότητα των μεμβρανών αντίστροφης ώσμωσης και του υπόλοιπου εξοπλισμού.